Esta pequeña casa se ubica en una remota punta de la costa centro-sur de Chile, específicamente en Buchupureo, VIII región del Bío-Bío. El proyecto se desarrolla de manera dialogante con su entorno, ya sea por la materialidad utilizada, por el desarrollo espacial, como también por la forma de implantación en el sitio.
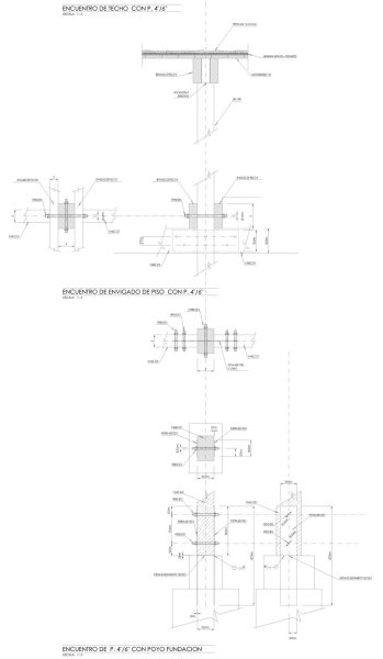
La casa se posa sobre una pendiente abrupta a través de pilotes, los cuales aminoran la intervención del proyecto en el suelo, permitiendo a su vez, el libre transcurso de las aguas.
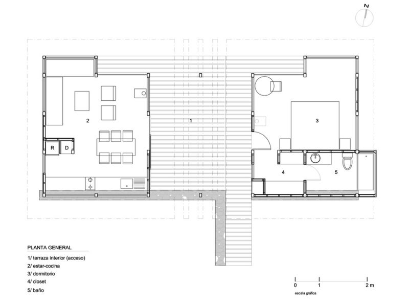
Esta cabaña desarrolla 3 situaciones espaciales que responden a los actos propios del descanso. Una habitación con su baño, un espacio que reúne el estar con la cocina y una terraza en la mitad como articulador de ambos. Todos los espacios buscan la vista panorámica hacia el océano pacifico.
La terraza funciona como espacio recibidor del habitante, se plantea como espacio intermedio ya que se ubica entre dos espacios interiores, provee de protección contra el viento y permite convivir en la extensión del océano.
La estructura, en su mayoría, es a la vista dando la forma de la casa. Esta se concibe con madera de la zona (pino insigne), es así como los tabiques se realizan en pino insigne, los cuales fueron tratados de diferente manera según su rol. Para la estructura de pilares y envigados se utilizaron piezas de 4”x6”, 2”x6” y 2”x5”. Todos fueron impregnados para otorgarles protección contra la humedad.
Para los revestimientos interiores se utilizo pino ¾”x4” cepillado sin ningún tratamiento. Finalmente para los revestimientos exteriores se utilizo un machihembrado de 1”x4”, el cual se pinto con carbolíneo.
La tectónica del proyecto establece una estrecha relación con la arquitectura local utilizando la madera y la piedra ‘laja’ como materiales predominantes. (La mayoría de los cercos de la zona se construyen con pircas de piedra laja y barro, como también muchos zócalos de casas antiguas).
La estructura del techo es en madera y se trabajó como un plano que se pliega levemente, el cual se desprende de la estructura de los muros dejando que su luz se refleje al interior generando una sensación de amplitud. La piedra laja se utilizó para recubrir y proteger la cubierta, a su vez se pensó como un elemento de adaptación tanto a nivel cultural (arquitectura del lugar) como natural (elementos del paisaje).
Fotógrafos: Carlos Ferrer + Alvaro Ramirez + Clarisa Elton.
[unitegallery Buchupureo]























